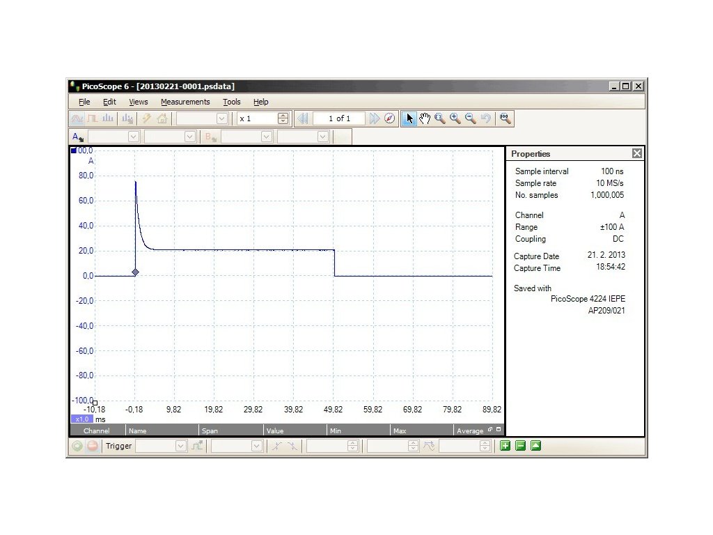
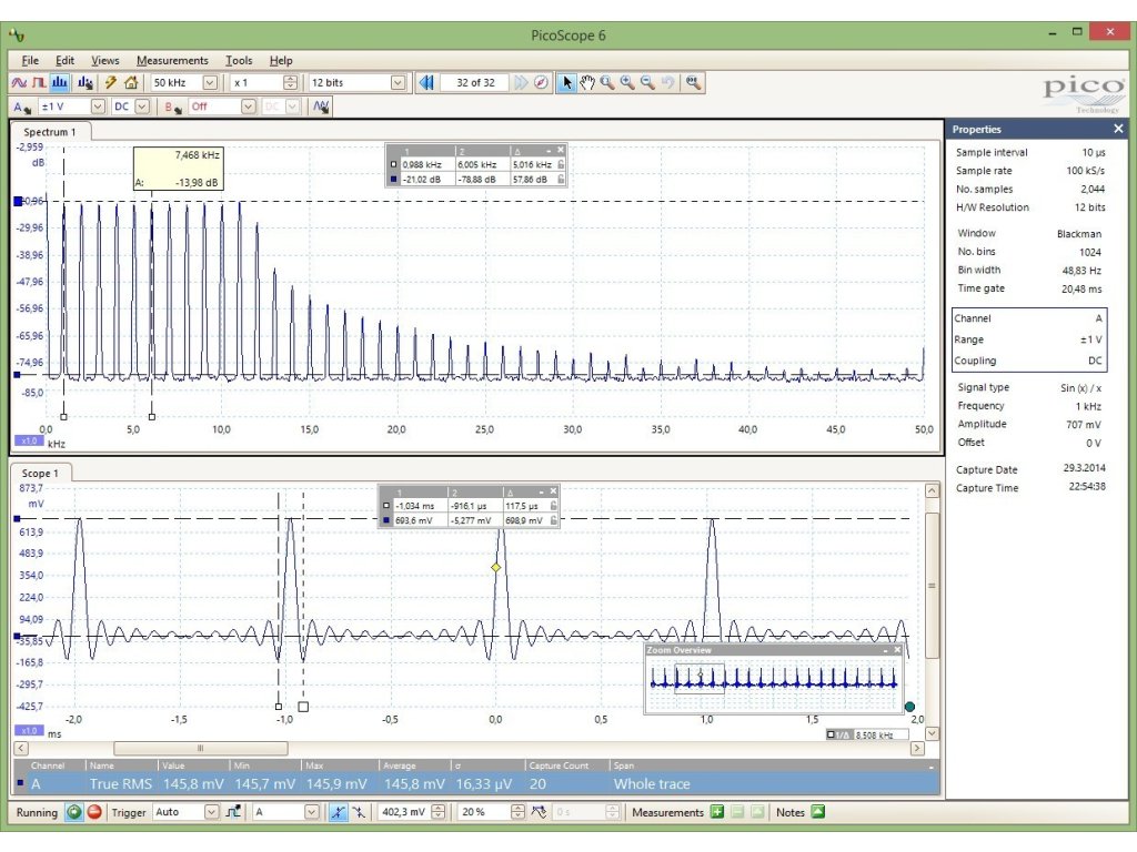
PicoScope SW - program pre USB osciloskopy - Windows
Ovládací program Picoscope 6 a Picoscope 7 slúži na riadenie USB osciloskopov pico Technology.
Program zahŕňa kompletný systém na meranie, testovanie, analýzu a ukladanie dát.

Doprava zadarmo
pre každý nákup nad 80€ s DPH vytvorený cez náš eshop s doručením na Slovensko.

Široké možnosti
platby a doručenia pre vaše pohodlie. Prijímame platobné karty, Google Pay alebo Apple Pay.

Tovar skladom
odosielame v deň objednávky kuriérom SPS alebo službou Packeta (objednávky do 13:00).

Servis a kalibrácia
teplomerov, multimetrov a iného metrologického vybavenia vrátane záručného a pozáručného servisu.
Picoscope 6 pre Windows obsahuje nasledujúce funkcie:
- Osciloskop – premení počítač na výkonný osciloskop
- XY osciloskop – zobrazí jeden kanál oproti druhému
- digitálny dosvit – jednoducho zobrazí kratkotvajúce deje
- matematika na kanál – invertuje, sčíta, odčíta, násobí alebo delí signál a umožní definovať aj vlastné funkcie
- automatizované meranie – zobrazí množštvo meraní a štatistických údajov
- spektrálny analyzátor – zobrazí frekvenčné spektrum v signále
- generátor ľubovoľného priebehu – vytvorí signál akéhokoľvek tvaru
- vyhodnocovanie prekročenia hraníc – zobrazí či úroveň alebo frekvencia prekračuje definovanú masku
- sériové dekódovanie – dekóduje dáta zo sériových zberníc, napriklad CAN bus
- množstvo doplňujúcich funkcií, export dát, konverzia
Všetky aktualizácie sú zadarmo!
Picoscope pre Linux , frontend pre Linux na Googlecode.
Program Picoscope6, balíky Picoscope, SDK a ďalšie download zo stránky výrobcu.
Viac obrázkov a animácií nájdete aj na stránke http://www.picoscope.tv/
Buďte prvý, kto napíše príspevok k tejto položke.
Pridať komentár
